Cruise Control - Vac To Elec?
-
90GTZHO
- Registered User
- Posts: 1068
- Joined: Sun Nov 02, 2003 11:54 am
- Location: Paulden, AZ
- Contact:
Cruise Control - Vac To Elec?
Does anyone know if its possible to swap from the older vacuum powered cruise control modules to the newer electronic ones they started using in 94? Or even if anyone has done this before?
Geoff
95 Base V6: Current Project; Work In Progress
95 Base V6: Current Project; Work In Progress
-
Cliff8928
- Administrator
- Posts: 1775
- Joined: Wed Mar 03, 2004 10:03 pm
- Location: Long Grove, IL
- Contact:
Re: Cruise Control - Vac To Elec?
Should be able to. The cruise system is pretty well all self contained.
Cliff Scott


- woody90gtz
- Registered User
- Posts: 4759
- Joined: Thu Jul 11, 2002 8:45 pm
- Location: Walton, NY
- Contact:
Re: Cruise Control - Vac To Elec?
I swapped but couldnt get it functional. I matched everything up between the 91 & 95 wiring diagrams I had, except one for the elec unit labeled "ECM". At the 95 ECM diagram that same wire was called "Cruise". I don't know if that wire just needs to be energized or what, but it won't work without it.



91 "SS" - WOT 3400/5spd - 13.29@101.6 - World's fastest N/A FWD Beretta
96 "T56" LS/6spd/8.8 RWD swap - 13.45@104.7 lol
GEARHEAD dezign youtube
96 "T56" LS/6spd/8.8 RWD swap - 13.45@104.7 lol
GEARHEAD dezign youtube
-
90GTZHO
- Registered User
- Posts: 1068
- Joined: Sun Nov 02, 2003 11:54 am
- Location: Paulden, AZ
- Contact:
Re: Cruise Control - Vac To Elec?
so, do i just need to run that wire to the ECM and tap into that wire to make it work?
Geoff
95 Base V6: Current Project; Work In Progress
95 Base V6: Current Project; Work In Progress
-
Cliff8928
- Administrator
- Posts: 1775
- Joined: Wed Mar 03, 2004 10:03 pm
- Location: Long Grove, IL
- Contact:
Re: Cruise Control - Vac To Elec?
You shouldn't even need to do that... I've seen these modules used in other non-gm applications.
Really, you need VSS, +12v constant, +12v Ignition, ground and switch connections.
Really, you need VSS, +12v constant, +12v Ignition, ground and switch connections.
Cliff Scott


-
90GTZHO
- Registered User
- Posts: 1068
- Joined: Sun Nov 02, 2003 11:54 am
- Location: Paulden, AZ
- Contact:
Re: Cruise Control - Vac To Elec?
So i wonder why Woody couldnt get his to work??? Hmmm
Geoff
95 Base V6: Current Project; Work In Progress
95 Base V6: Current Project; Work In Progress
- 3X00-Modified
- Administrator
- Posts: 10920
- Joined: Thu Jul 05, 2007 9:18 am
- Location: Brooklyn CT
Re: Cruise Control - Vac To Elec?
Woody isn't a wiring tech... LOL
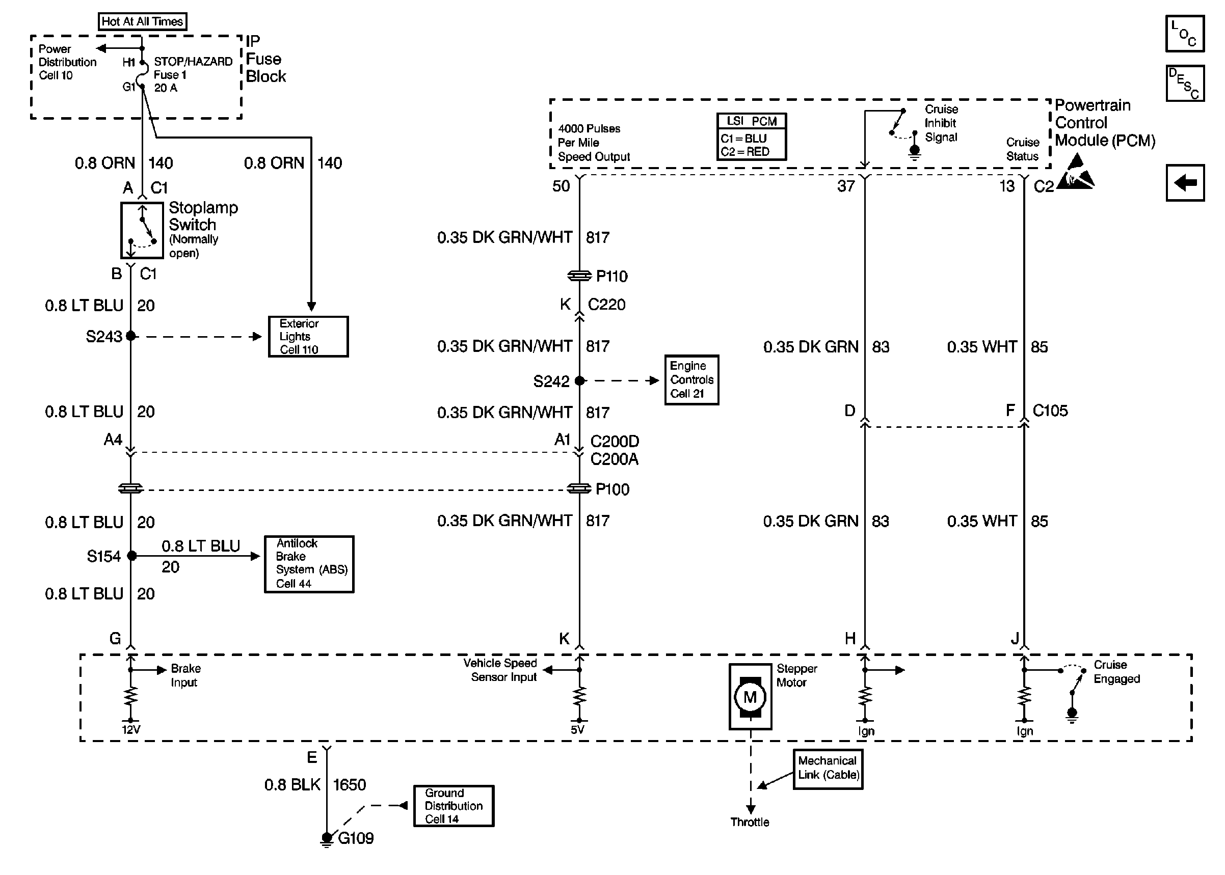
Here is the 96 diagram, Not sure what woody was working with... but its pretty straight forward, there are 3 wires that need to communicate with the ECM and if you don't get those right then thats probably why it wont work...
Here is the 96 diagram, Not sure what woody was working with... but its pretty straight forward, there are 3 wires that need to communicate with the ECM and if you don't get those right then thats probably why it wont work...
- Attachments
-
Cruise Circuit.pdf- 1996 Cruise
- (42.74 KiB) Downloaded 446 times
-
Cliff8928
- Administrator
- Posts: 1775
- Joined: Wed Mar 03, 2004 10:03 pm
- Location: Long Grove, IL
- Contact:
Re: Cruise Control - Vac To Elec?
pins H and J should be irrelevant if they're hooked up or not, unless the electronics are different between the cruise modules.
Cliff Scott


-
90GTZHO
- Registered User
- Posts: 1068
- Joined: Sun Nov 02, 2003 11:54 am
- Location: Paulden, AZ
- Contact:
Re: Cruise Control - Vac To Elec?
Hmm, so all i need now is just get the wiring diagram for my car and i should be set.
Yeah i like accurate the electronic modules are vs the vacuum ones. Alot more precise and you dont have to hold the "set" button to make it work, just tap it and your off!
Yeah i like accurate the electronic modules are vs the vacuum ones. Alot more precise and you dont have to hold the "set" button to make it work, just tap it and your off!
Geoff
95 Base V6: Current Project; Work In Progress
95 Base V6: Current Project; Work In Progress
- 3X00-Modified
- Administrator
- Posts: 10920
- Joined: Thu Jul 05, 2007 9:18 am
- Location: Brooklyn CT
Re: Cruise Control - Vac To Elec?
H is not irrelevant unless the "inhibit" command is a +12v... If ground is use as the inhibit input then you need to energize pin H going into the cruise unit for it to work.
I agree J is probably not necessary since that just tells the ECM its in Cruise mode and for my car that has a specific set of spark tables and such.
I agree J is probably not necessary since that just tells the ECM its in Cruise mode and for my car that has a specific set of spark tables and such.
- woody90gtz
- Registered User
- Posts: 4759
- Joined: Thu Jul 11, 2002 8:45 pm
- Location: Walton, NY
- Contact:
Re: Cruise Control - Vac To Elec?
Hey, gently caress off! haha3X00-Modified wrote:Woody isn't a wiring tech... LOL
Here is the 96 diagram, Not sure what woody was working with... but its pretty straight forward, there are 3 wires that need to communicate with the ECM and if you don't get those right then thats probably why it wont work...
That's a different diagram than I had. There was a wire (I forget which one) that was labeled only as "ECM" in the cruise diagram, and in the ECM diagram is was labeled only as "Cruise". I'll have to take a look at it again with this new diagram...because that all seems pretty simple.
91 "SS" - WOT 3400/5spd - 13.29@101.6 - World's fastest N/A FWD Beretta
96 "T56" LS/6spd/8.8 RWD swap - 13.45@104.7 lol
GEARHEAD dezign youtube
96 "T56" LS/6spd/8.8 RWD swap - 13.45@104.7 lol
GEARHEAD dezign youtube
-
Cliff8928
- Administrator
- Posts: 1775
- Joined: Wed Mar 03, 2004 10:03 pm
- Location: Long Grove, IL
- Contact:
Re: Cruise Control - Vac To Elec?
I think you got the H and J mixed up there Jon... The H is the inhibit signal.GM wrote:Cruise Control System Operation
The electronic cruise control is a speed control system. The system maintains a desired vehicle speed under normal driving conditions. Steep gradients may cause variations in the selected speed. The electronic cruise control system is capable of performing the following functions:
Cruise
Coast
Resume speed
Accelerate
Tap-up
Tap-down
The cruise control system uses a cruise control module assembly in order to obtain the desired cruise operation. The following 2 components in the module are primarily responsible for performing this operation:
An electronic controller
An electric stepper motor
The controller performs the following functions:
Monitor the vehicle speed
Operate the electronic stepper motor
The motor moves a band and throttle linkage in response to the controller. This action maintains the desired cruise speed. The cruise control module assembly is controlled by a low speed limit which prevents system engagement below 40 km/h (25 mph). The module is controlled by mode control switches located on the multi-function turn signal lever. The cruise control is in a standby disabled mode until all conditions inconsistent with cruise control operation are cleared.
Battery voltage is applied or present under the following conditions:
With the ignition switch in RUN, the battery voltage is applied to terminal F of the cruise control module.
When the slider switch is moved to the ON position, the battery voltage is applied to terminal A of the cruise control module connector.
If the brake pedal is not depressed, the battery voltage is present at module terminal D.
If the brake pedal is depressed, the battery voltage is present at module terminal G.
The following conditions are present during cruise control operation:
Terminal G must have current flow for the cruise control to operate (disable) properly.
When the slider switch is moved to the RESUME/ACCEL position, the battery voltage is applied to terminal C of the module.
When the set switch is depressed, the battery voltage is present at module terminal B.
The cruise control module connector terminal K is the speed signal terminal. During operation, voltage oscillates between a high that is equal to the battery voltage and a low of 0.5 volts.
Ground is at the module terminal E.
The module terminal J signals the powertrain control module (PCM) when the cruise control engages. The PCM determines the correct shift pattern for the transmission.
The PCM uses terminal H in order to inhibit the cruise control when present conditions are not consistent with the cruise control:
The engine is off.
The automatic transmission is in PARK or NEUTRAL.
The manual transmission is out of gear (in NEUTRAL).
There is a high engine RPM (fuel cut-off).
There is a high vehicle speed (fuel cut-off).
The PCM sets certain DTCs or other failure records. Refer to Diagnostic System Check in Engines Controls.
Unless GM makes different modules for the cruise, the trucks don't even use the "H" pin. And the "J" is only used on the Automatics. You could always source a cruise module from a GMT400 truck.
Cliff Scott


- 3X00-Modified
- Administrator
- Posts: 10920
- Joined: Thu Jul 05, 2007 9:18 am
- Location: Brooklyn CT
Re: Cruise Control - Vac To Elec?
Yes I did I read it too quick last night.
And since this is not the diagram that Woody used then I guess that eliminates his result from using it on a older Vac car.
Wire on Geoff... It will probably work fine.
And since this is not the diagram that Woody used then I guess that eliminates his result from using it on a older Vac car.
Wire on Geoff... It will probably work fine.
- woody90gtz
- Registered User
- Posts: 4759
- Joined: Thu Jul 11, 2002 8:45 pm
- Location: Walton, NY
- Contact:
Re: Cruise Control - Vac To Elec?
That H pin is my problem. Just found confirmation on a Camaro board. Apparently you can swap the truck unit (without H) to remedy the problem, though.3X00-Modified wrote:H is not irrelevant unless the "inhibit" command is a +12v... If ground is use as the inhibit input then you need to energize pin H going into the cruise unit for it to work.
I agree J is probably not necessary since that just tells the ECM its in Cruise mode and for my car that has a specific set of spark tables and such.
after more testing and some real indepth work I have come to this...
terminal "H" is needed on most systems! however the chevy and gmc trucks seem to be more common in not needing this. (example of one is a 2000 gmc 4.3 sonoma) it has the same size and shape as the ls1 camaro and firebird module it will act and work just like the 98 ls1 setup which does not need the signals from the pcm, you can use the cable on it or buy the correct cable for your throttle body
now on to the signals from/to teminal "H" for you 98 and or carbed ls1 users. These are pretty indepth and short of making a micro controller to reproduce these on/off signals (which I actually know the times order) I don't see many ways around this.
http://ls1tech.com/forums/conversions-h ... en-tb.htmlit is kinda complicated when using the pcm signals. since the pcm sends ground pulses as a comunication to the Cruise unit. The part# 25315091 (found on 99-up F-body cars) @ about 20 mph needs to see a bunch of grounding signals spaced on/off at differant rates to operate on the first attempt from key on, once the car slows down below or about 20 mph it needs a differant signal while slowing down to reactivate on the next attempt
the truck ones will work best. just make sure the one you choose does not use the "H" terminal and you will be good to go.
91 "SS" - WOT 3400/5spd - 13.29@101.6 - World's fastest N/A FWD Beretta
96 "T56" LS/6spd/8.8 RWD swap - 13.45@104.7 lol
GEARHEAD dezign youtube
96 "T56" LS/6spd/8.8 RWD swap - 13.45@104.7 lol
GEARHEAD dezign youtube
- woody90gtz
- Registered User
- Posts: 4759
- Joined: Thu Jul 11, 2002 8:45 pm
- Location: Walton, NY
- Contact:
Re: Cruise Control - Vac To Elec?
Called the local yard and I'm picking up a truck cruise module tonight. Hopefully the plug-in and everything is the same. It looks like I'm gonna have to drill some new holes to mount it, because it's a little different than the Beretta one, but that will be well worth it for functional cruise again.
91 "SS" - WOT 3400/5spd - 13.29@101.6 - World's fastest N/A FWD Beretta
96 "T56" LS/6spd/8.8 RWD swap - 13.45@104.7 lol
GEARHEAD dezign youtube
96 "T56" LS/6spd/8.8 RWD swap - 13.45@104.7 lol
GEARHEAD dezign youtube